超重量物移動用エンドレスコロ チルタンク

複数のローラーで荷重を均等に受けるため、小さな力でスムーズに移動できます。従来のコロは移動時に入れ換えが必要になりますが、エンドレスローラーのチルタンクならその必要がなく、運搬時間を大幅短縮します。
シンプルな構造で、取り扱いが容易です。
移動物にはボルトで簡単に取り付けることができます。
エンドレスローラーの使用により、ローラー径を小さくし全高が低く安定性が抜群です。
焼入硬化を施したローラーと特殊鋼製フレームで高強度です。
センタープレートが大きいため、コンパクトながら能力はビッグ。
持ち運びも容易です。

変圧器の移動

船体ブロックの搬送台車

大型エンジンの移動台車

コンテナの移動

橋梁の横取り工法

橋梁架台の引き込み

大型屋根スライド工法

港湾の復旧工事

コンクリート扉

大型パイプの埋設作業

シールドマシーンの移動
- 重量物運搬
- 大型トランス・ボイラ・シールドマシン・コンテナなどの移動・据付
旋盤・研磨機・プレーナなどの移動・据付
展示会での機械の搬入・搬出
原子力機器の移動・据付
病院・銀行・オフィス
エレクトロニクス関連産業・電子部品・半導体 - 造船関係
- 大型エンジンの移動台車
- 住宅
- 家屋ブロックの搬送
スチール家具の移動
- 一般工場
- 組立工程内への搬入・搬出
各種材料の移動
工場レイアウトの変更
冷暖房装置・公害防止装置の移動・据付
大型キャビネットの移動 - 橋梁関係
- 橋梁架台の引き込み
橋梁の横取り工法

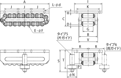
センタープレートの周囲にローラーが配され、リンクプレートとピンでエンドレスに連結された構造です。
荷重はフレームと接地ローラーにかかり、ピンにはかからないシンプルな構造で、超重荷重に対応します。

Type3
ボルトによって取り付ける、一般的なタイプ。

Type5
片ガイドローラ方式。
直進性を必要とする場合や、チルタンクに横荷重がかかる場合に。

Type6
両ガイドローラー方式により、左右の横荷重に対応。
走行レールからの脱落防止に効果的。

Type7
トッププレートにターンテーブルを装着。方向転換用ハンドルもございます。
※方向転換時はジャッキアップなどで荷重を軽減してください。
![]()

- ① 移動物重量
移動物の自重、偏荷重および台車などの総重量(t) - ② 支持台数
移動物を支持できる数量またはチルタンク使用数量(台) - ③ 使用係数
移動物重量が100t未満の場合は0.67以下に設定
移動物重量が100t以上の場合は0.50以下に設定
![]()
下向き型

最も一般的な取り付け方法
上向き型


チルタンクの取り替えおよび、移動が容易です。
横向き型

ガイドローラーとして使用可能
![]()
Type3 仕様
| 商品コード | 234490 | 234493 | 234406 | 234500 234402 |
234403 | 234404 | 234498 | |
|---|---|---|---|---|---|---|---|---|
| 商品名 | チルタンク4t | チルタンク12t | チルタンク25t | チルタンク50t | チルタンク100t | チルタンク150t | チルタンク200t | |
| メーカー | カツヤマキカイ(チルコーポレーション) | |||||||
| 型式 | NO-4 Type3 | NO-12 Type3 | NO-25 Type3 | NO-50 Type3 | NO-100 Type3 | NO-150 Type3 | NO-200 Type3 | |
| 最大能力 (t) | 4 | 12 | 25 | 50 | 100 | 150 | 200 | |
| 走行抵抗 (a/r) | 0.05 | 0.04 | 0.05 | |||||
| フレーム | 長さ:A (mm) | 160 | 230 | 320 | 470 | 620 | 670 | 860 |
| 幅:B (mm) | 92 | 122 | 150 | 168 | 189 | 246 | 246 | |
| 高さ:C (mm) | 66 | 97 | 130 | 162 | 174 | 205 | 205 | |
| スキマ:D (mm) | 7 | 10 | 14 | 18 | 22 | 28 | 20 | |
| ローラ | 個数:E | 15 | 13 | 15 | 17 | 23 | 21 | 27 |
| 直径:φF (mm) | 18 | 30 | 38 | 50 | 50 | 60 | 60 | |
| 長さ:G (mm) | 51 | 70 | 80 | 86 | 100 | 140 | 140 | |
| 接地個数 | 5 | 4-5 | 5 | 6-7 | 9 | 8 | 11 | |
| トップ プレート |
板厚:H (mm) | 9 | 12 | 16 | 19 | 22 | 28 | 28 |
| 幅:I (mm) | 150 | 200 | 250 | 280 | 300 | 380 | 380 | |
| 穴間隔:J (mm) | 125 | 180 | 250 | 180 | 180 | 180 | 190 | |
| K (mm) | 125 | 165 | 210 | 230 | 250 | 310 | 310 | |
| 穴:L (個) | 4 | 6 | 8 | 10 | ||||
| φd (mm) | 11 | 14 | 18 | 22 | 22 | 26 | 26 | |
| センタープレート幅:V (mm) | 106 | 136 | 166 | 185 | 208 | 262 | 262 | |
| 自重 (kg) | 5.7 | 16 | 39 | 78 | 129 | 221 | 290 | |
Type5 仕様
| 商品コード | 234505 | 234408 | |
|---|---|---|---|
| 商品名 | チルタンク4t片ガイドローラー付 | チルタンク25t片ガイドローラー付 | |
| メーカー | カツヤマキカイ(チルコーポレーション) | ||
| 型式 | NO-4 Type5 | NO-25 Type5 | |
| 最大能力 (t) | 4 | 25 | |
| 走行抵抗 (a/r) | 0.05 | ||
| フレーム | 長さ:A (mm) | 160 | 320 |
| 幅:B (mm) | 92 | 150 | |
| 高さ:C (mm) | 66 | 130 | |
| スキマ:D (mm) | 7 | 14 | |
| ローラ | 個数:E | 15 | |
| 直径:φF (mm) | 18 | 38 | |
| 長さ:G (mm) | 51 | 80 | |
| 接地個数 | 5 | ||
| トップ プレート |
板厚:H (mm) | 9 | 16 |
| 幅:I (mm) | 150 | 250 | |
| 穴間隔:J (mm) | 125 | 250 | |
| K (mm) | 125 | 210 | |
| 穴:L (個) | 4 | ||
| φd (mm) | 11 | 18 | |
| ガイド ローラ |
直径:φN (mm) | 40 | 80 |
| 幅:P (mm) | 20 | 30 | |
| R (mm) | 74.5 | 120 | |
| S (mm) | 102 | 181 | |
| T (mm) | 81 | 151 | |
| 個数 (個) | 1 | ||
| 推奨レール幅 (mm) | 100 | 150 | |
| センタープレート幅:V (mm) | 106 | 166 | |
| 自重 (kg) | 6.4 | 42 | |
Type6 仕様
| 商品コード | 234506 | 234409 | |
|---|---|---|---|
| 商品名 | チルタンク4t両ガイドローラー付 | チルタンク25t両ガイドローラー付 | |
| メーカー | カツヤマキカイ(チルコーポレーション) | ||
| 型式 | NO-4 Type6 | NO-25 Type6 | |
| 最大能力 (t) | 4 | 25 | |
| 走行抵抗 (a/r) | 0.05 | 0.05 | |
| フレーム | 長さ:A (mm) | 160 | 320 |
| 幅:B (mm) | 92 | 150 | |
| 高さ:C (mm) | 66 | 130 | |
| スキマ:D (mm) | 7 | 14 | |
| ローラ | 個数:E | 15 | 15 |
| 直径:φF (mm) | 18 | 38 | |
| 長さ:G (mm) | 51 | 80 | |
| 接地個数 | 5 | 5 | |
| トップ プレート |
板厚:H (mm) | 9 | 16 |
| 幅:I (mm) | 150 | 250 | |
| 穴間隔:J (mm) | 125 | 250 | |
| K (mm) | 125 | 210 | |
| 穴:L (個) | 4 | 4 | |
| φd (mm) | 11 | 18 | |
| ガイド ローラ |
直径:φN (mm) | 40 | 80 |
| 幅:P (mm) | 20 | 30 | |
| R (mm) | 74.5 | 120 | |
| S (mm) | 102 | 181 | |
| T (mm) | 81 | 151 | |
| 個数 (個) | 2 | 1 | |
| 推奨レール幅 (mm) | 100 | 150 | |
| センタープレート幅:V (mm) | 106 | 166 | |
| 自重 (kg) | 7.1 | 45 | |
Type3・Type5・Type6 寸法図

※寸法図はL=8のときを示しています。穴(L)の個数により、間隔(J)の数は異なってきます。
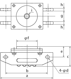
Type7 仕様
| 商品コード | 234407 | |
|---|---|---|
| 商品名 | チルタンク25t ターンテーブル付 | |
| メーカー | カツヤマキカイ(チルコーポレーション) | |
| 型式 | NO-25 Type7 | |
| 最大能力 (t) | 25 | |
| 寸法 (mm) | a | 390 |
| b | 350 | |
| c | 154.5 | |
| φd | 21 | |
| e | 64.5 | |
| φf | 240 | |
| g | 118 | |
| h | 16 | |
| i (ネジ) | M20 | |
| 自重 (kg) | 53 | |
※方向転換時は、ジャッキアップなどで荷重を軽減してください。
Type7 寸法図

Type7 関連商品
| 商品コード | 商品名 |
|---|---|
| 286614 | チルタンクターンテーブル付用ハンドル |
使用上の注意
- 路面には鋼板、形鋼使用。路面が軟弱だと、チルタンクがめりこむことがあります。路面の強度や段差には注意が必要です。
- チルタンクへの負担が大きくなるため、「ひたすらまっすぐ」が原則。方向転換はジャッキアップによっておこなってください。
- チルタンクの移動速度は5m/min以下でおこなってください。
- 路面状況により偏荷重がかかることがあります。荷重オーバーは絶対禁止です。


